*Текущая стоимость 396,51 уже могла изменится. Что бы узнать актуальную цену и проверить наличие товара, нажмите "Добавить в корзину"



Теплая подсказка: Уважаемый покупатель, наши самые дешевые транспортные услуги, экономическая категория логистики (SunYou экономичная воздушная почта, Почта Китая обычный маленький пакет плюс) можно отследить только для того, чтобы он прибыл в вашу страну, пожалуйста, выберите стандартную категорию логистики, если вам нужна полная информация об отслеживании.
![]()
![]()
![]()
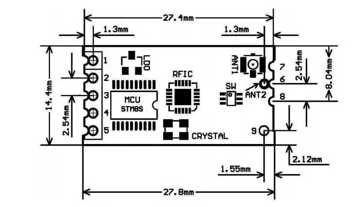
HC-12 SI4463 беспроводной микроконтроллер серийный, 433 дальний, 1000 м с антенной для BluetoothPS: HC-11 не может быть подключен для связи с HC-12, они работают независимо, в парах.1: напряжение питания 3,2 V ~ 5,5 V. (В том случае, если вы хотите, чтобы работать в модуле запуска состоянии в течение длительного времени, рекомендуется в тех случаях, когда напряжение источника питания превышает 4,5 v-серия с 1N4007 диод, для того, чтобы избежать нагрева модуль Встроенный LDO)2: Расстояние связи по умолчанию (открытый тест): около 600 м (регулируется для достижения максимального расстояния связи 1000 м, скорость передачи воздуха 5000bps).3: по умолчанию Ток холостого хода: 16 мА (модули в различных рабочих токах различных режимов работы).4: модуль Размеры: 27,8 мм × 14,4 мм × 4 мм.5: Рабочий Диапазон частот (433,4-473,0 МГц, до 100 каналов связи) максимальная мощность передачи 100 мВт (можно установить)6: модуль поддерживает обновления программного обеспечения. (Мы предоставляем клиентам обновления программного обеспечения)7: заводские настройки по умолчанию: Рабочий режим FU3, скорость передачи данных 9600bps, канал связи CH001 (433,4 M).
![aeProduct.getSubject()]()
![aeProduct.getSubject()]()
Вот несколько антенных соединений, которые могут быть выбраны.
![aeProduct.getSubject()]()
![aeProduct.getSubject()]()
Как показано выше, HC-12 модуль используется вместо полудуплексного физического соединения с левой стороны последовательного устройства, передающего данные в модуль, модуль получает левый RXD порт последовательных данных, данные автоматически отправляются посредством радиоволн в воздух. Правая часть модуля может автоматически получать и восстанавливать левую сторону устройства, первоначально выпущенную серийными данными из TXD. Справа налево то же самое.
Особенности продукта: HC-12 модуль имеет три последовательных режима прохода, используя FU1, FU2 и FU3 сказал. При использовании различные модели предназначены только для отправки и получения серийных данных, часть беспроводной передачи воздушной трубки. По умолчанию работает в полном режиме FU3, который автоматически регулирует скорость передачи данных в воздушном бод в соответствии с низкой скоростью передачи данных. Различные режимы не могут обменять данные, пользователь может выбрать оптимальный режим в соответствии с реальной ситуацией.При использовании обычно не ограничивайте количество байтов модулем непрерывной последовательной передачи. Однако из-за таких факторов, как нарушения окружающей среды, когда большое количество данных отправляется непрерывно, могут отсутствовать некоторые байты. Таким образом, ПК лучше иметь механизмы ответа и повторной передачи, чтобы избежать потери информации.
Командный набор: Параметры модуля, командный наборКоманда AT используется для установки параметров функционального модуля, и переключающие модули должны выйти из режима настройки после того, как Настройка начнет действовать. Между тем, измените параметры и функции, отключение питания не теряется.(1), введите режим командыПервая запись в режиме-при нормальных условиях эксплуатации, мощное средство) в течение первых 5-контактный разъем "набор" устанавливается при низкой температуре;Второй режим входа-мощность, 5-й контакт «SET» снова первый набор низкой мощности.Оба способа могут сделать модуль в командном режиме, отпустите («SET» pin не подключен низко), чтобы выйти из командного режима. После режима команды exit, если вы измените функцию модуля, функция будет отрезана до соответствующего состояния.Второй способ фиксируется в последовательном формате 9600, N, 1 в AT.(2) инструкции1. ATИнструкции по испытаниюПример:Отправка команд модуля «AT», Модуль возвращает «OK».2. AT + BxxxxИзмените команду скорости передачи данных последовательного порта. Вы можете установить скорость передачи данных 1200bps, 2400bps, 4800bps, 9600bps, 19200bps, 38400bps, 57600bps и 115200bps. Заводской по умолчанию 9600bps.Пример:Установите скорость передачи данных последовательного порта модуля 19200bps, отправьте команду модуля «AT + B19200», модуль возвращается"ОК + B19200".3. AT + CxxxИзмените канал беспроводной связи, выбираемый от 001 до 127 (более 100 радиоканалов после того, как расстояние связи не гарантировано). Значение по умолчанию-001 радиоканалов, рабочая частота-433,4 МГц. Шаговый канал-400 кГц, рабочая частота канала 100-473,0 МГц.Пример:Установите модуль на канал 21, пожалуйста, отправьте команду модуля «AT + C021», Модуль возвращает «OK + C021».После выхода из командного режима, модуль в первых 21 каналах, рабочая частота 441,4 МГц.Примечание: поскольку HC-12 чувствительности модуля беспроводного приемника относительно высока, скорость передачи данных выше, чем при использовании air 58000 bps, 5 необходимо перенести на использование прилегающего канала. Когда скорость передачи воздуха не превышает 58000 бит/с, если короткое расстояние (10 метров) связи, но также необходимо использовать пять прилегающих каналов.4. AT + FUxИзмените режим последовательного прохода модуля, там три режима FU1, FU2 и FU3. Режим по умолчанию модуля-FU3, два последовательных переходных модуля режима должны быть настроены на одно и то же общение. См. Подробную информацию выше, часть "беспроводной последовательный сквозной".Пример:Отправка команд модуля «AT + FU1», модуль возвращается «AT + OK».
6. AT + Px
![aeProduct.getSubject()]()
Настройка по умолчанию 8, максимальная мощность передачи, расстояние связи. Уровень мощности передачи установлен на 1, минимальная мощность передачи. В общем, мощность передачи каждого падения 6 дБ, расстояние связи будет уменьшено наполовину.Пример:Отправка команд модуля «AT + P 5», Модуль возвращает «OK + P5». После выхода из командного режима модуль передает мощность + 11 дБм.